ข้อต่อนั่งร้าน ซึ่งใช้เชื่อมต่อท่อเหล็กเมื่อสร้างนั่งร้านและตัวเชื่อมต่อระหว่าง ท่อเหล็ก กับโครงสร้างอื่น ๆ ถูกนำมาใช้กันอย่างแพร่หลายใน โครงการนั่งร้าน ประเภทต่างๆ . มักจะมีมาตรฐานยุโรปและมาตรฐานญี่ปุ่น EK ในฐานะ ซัพพลายเออร์ข้อต่อนั่งร้าน ชั้นนำของจีน มุ่งเน้นไปที่การแนะนำข้อต่อนั่งร้านคุณภาพสูงมาตรฐานยุโรปเพื่อตอบสนองการใช้งานของประเทศต่อไปนี้ ออสเตรีย เบลเยียม ไซปรัส สาธารณรัฐเช็ก เดนมาร์ก เอสโตเนีย ฟินแลนด์ ฝรั่งเศส เยอรมนี กรีซ ฮังการี ไอซ์แลนด์ ไอร์แลนด์ อิตาลี ลัตเวีย ลิทัวเนีย ลักเซมเบิร์ก มอลตา เนเธอร์แลนด์ นอร์เวย์ โปแลนด์ โปรตุเกส สโลวาเกีย สโลวีเนีย สเปน สวีเดน สวิตเซอร์แลนด์ และสหราชอาณาจักร
| คู่ | coupler หมุน | ||
| 48.3*34 | 48.3*34 | 34*34 | 34*38 |
| 48.3*38 | 48.3*38 | 38*38 | 38*42 |
| 48.3*42 | 48.3*42 | 42*42 | 42*60 |
| 48.3*48.3 | 48.3*48.3 | 48.3*60.3 | - |
| 48.3*60 | 48.3*60 | 60*60 | 60*76 |
| 48.3*76 | 48.3*76 | 76*76 | 86*89 |
| 48.3*60.3 | 48.3*89 | 89*89 | - |
| 60.3*60.3 | 60.3*60.3 | - | - |
| ปลอก/ข้อต่อข้อต่อ | คาน | Putlog/ข้อต่อเดี่ยว | บอร์ดที่เก็บรักษา | ตัวต่อระยะห่าง | เอสเค - บีเยลเก้ คลิปส์ | ด็อบเบลท์ ออปเฟิง คลิปส์ | เกรฟล็อค | ข้อต่อแหวน |
| 48.3*48.3 | 48.3*45 | 48.3*48.3 | 48.3*38 | 48.3*74 | 48.3 | 48.3*48.3 | 48.3 | 48.3 |
| 40*40 | 48.3*50 | - | 48.3*45 | 48.3*98 | - | - | - | - |
| - | 48.3*55 | - | 38*38 | - | - | - | - | - |
สรุปผลลัพธ์:
| เลขที่ | รายการทดสอบ | วิธีทดสอบ |
| 1 | กำลังลื่น | EN 74-1: 2005 |
| 2 | กำลังความล้มเหลว | EN 74-1: 2005 |
ผลการทดสอบ:
| ข้อทดสอบ | รายการทดสอบ | ข้อกำหนดการทดสอบ | ผลการทดสอบ | บทสรุป |
|
7.2.1
|
กำลังลื่น
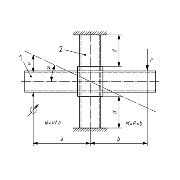
| △1≤7มม., FS, 5%≥10.0kn | △ 1 = 7 มม., FS, 5%= 15.88KN |
ผ่าน
|
| 1mm≤△2≤2mm, Fs, 5% ≥15.0kn | 1mm≤△2≤2mm, Fs, 5%= 15.91kN | |||
| 7.2.2 | กำลังความล้มเหลว | FF, 5%/γR2≥30.0KN | FF, 5%/γR2 = 50.63KN | ผ่าน |
ภายใต้สถานการณ์ปกติมันเป็นเรื่องยากที่จะไปถึงเกรด B แต่เรามาถึง
สรุปผลลัพธ์:
| เลขที่ | รายการทดสอบ | วิธีทดสอบ |
| 1 | กำลังลื่น | EN 74-1: 2005 |
| 2 | กำลังความล้มเหลว | EN 74-1: 2005 |
ผลการทดสอบ:
| ข้อทดสอบ | รายการทดสอบ | ข้อกำหนดการทดสอบ (Swivel Coupler, Class B) | ผลการทดสอบ | บทสรุป |
|
7.2.1
|
กำลังลื่น
| △1≤7มม., FS, 5%≥10.0kn | △1≤7มม., FS, 5%= 10.6kN |
ผ่าน
|
| 1mm≤△2≤2mm, Fs, 5% ≥15.0kn | fs = 30kN, △2˂1mm | |||
| 7.2.2 | กำลังความล้มเหลว | FF, 5%/γR2≥20.0KN | ff, 5%/γR2 = 24.4kn | ผ่าน |
สรุปผลลัพธ์:
| เลขที่ | รายการทดสอบ | วิธีทดสอบ |
| 1 | การต่อต้านช่วงเวลาการดัด | EN 74-1: 2005 ข้อ 7.4.3 |
| 2 | กำลังลื่น | EN 74-1: 2005 ข้อ 7.2.1 |
ผลการทดสอบ:
| รายการทดสอบ | ผลการทดสอบ | ข้อกำหนดการทดสอบ (ปลอกแขน, คลาส B) | บทสรุป |
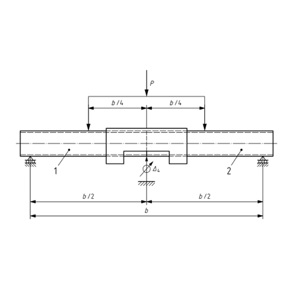
| การต่อต้านช่วงเวลาการดัด | △ 4 = 5 มม., mb, 5% = 1.43knm | △ 4 = 5 มม., mb, 5% ≥1.4knm | ผ่าน |
สรุปผลลัพธ์:
| เลขที่ | รายการทดสอบ | วิธีทดสอบ |
| 1 | ความต้านทานลื่น | BS 1139-2.2: 2009+A1: 2015 ข้อ 7 และภาคผนวก A.2 |
ผลการทดสอบ:
| รายการทดสอบ | ผลการทดสอบ | ข้อกำหนดการทดสอบ | บทสรุป |
| ความต้านทานลื่น | 1mm≤△2≤2mm, Fs, 5% = 1.83kN | 1mm≤△2≤2mm, Fs, 5% ≥1.04kN | ผ่าน |
สรุปผลลัพธ์:
| เลขที่ | รายการทดสอบ | วิธีทดสอบ |
| 1 | การทดสอบความแข็งแรง | AS/NZS 1576.2: 2016 ภาคผนวก L |
| 2 | ทดสอบสลิปตามหลอด | AS/NZS 1576.2: 2016 ภาคผนวก M |
| 3 | การทดสอบสลิปไปตามหน้าแปลน | AS/NZS 1576.2: 2016 ภาคผนวก N |
ผลการทดสอบ:
| ข้อทดสอบ | รายการทดสอบ | ข้อกำหนดการทดสอบ | ผลการทดสอบ | บทสรุป |
| ภาคผนวก L | การทดสอบความแข็งแรง | p = 30.0kn ไม่มีตัวหนีบหน้าแปลนจะแสดงชุดถาวรใด ๆ | p = 30.0kn ไม่มีแคลมป์หน้าแปลนแสดงชุดถาวรใด ๆ | ผ่าน |
| ภาคผนวก M | ทดสอบสลิปตามหลอด | p = 12.5kN, ลื่น≤ 6 มม. | p = 12.5kN, slippage <6mm | ผ่าน |
| ภาคผนวก N | การทดสอบสลิปไปตามหน้าแปลน | p = 12.5kN, ลื่น≤ 6 มม. | p = 12.5kN, slippage <6mm | ผ่าน |
สรุปผลลัพธ์:
| เลขที่ | รายการทดสอบ | วิธีทดสอบ |
| 1 | กำลังความล้มเหลว | โดยอ้างอิงถึง EN 74-1: 2005 |
| รายการทดสอบ | ผลการทดสอบ | |||||
| 1# | 2# | 3# | 4# | 5# | 6# | |
| แรงล้มเหลว (kn) | 42.84 | 38.89 | 43.60 | 42.91 | 40.79 | 29.8 |
| ความกว้างข้ามแฟลตสำหรับน็อตหกเหลี่ยมและการใช้ประเทศ | ||
| ความกว้าง | 21 | สหราชอาณาจักรและเครือจักรภพแห่งชาติ |
| ความกว้าง | 22 | สหรัฐอเมริกาเยอรมนีและประเทศ Eurupean บางประเทศ |
| ความกว้าง | 23 | ออสเตรเลีย |
| ความกว้าง | 19 | ญี่ปุ่นเกาหลีใต้และประเทศในเอเชียตะวันออกเฉียงใต้ |
|
| Bolt Dia | ความกว้างข้ามแฟลต | ความสูง | ความกว้างข้ามแฟลต | ความสูง | ความกว้างข้ามแฟลต | ความสูง |
| น็อตหกเหลี่ยม | 1/2 ' | S21 | H11 | S22 | H11 | S23 | H11 |
| น็อตหกเหลี่ยม |
| SF21 | H14 | SF22 | H14 | SF23 | H14 |
| น็อตหกเหลี่ยม |
| SF21 | H19 | SF22 | H19 | SF23 | H119 |
| น็อตหกเหลี่ยม |
| S21 | H15 |
|
|
|
|
| น็อตหกเหลี่ยม | M14 | S22 | H11 | S23 | H11 |
|
|
| น็อตหกเหลี่ยม |
| SF22 | H14 | SF23 | H14 |
|
|
| น็อตหกเหลี่ยม |
| SF22 | H19 | SF23 | H119 |
|
|
| น็อตหกเหลี่ยม | M12 | SF19 | H9 |
|
|
|
|
| น็อตปีก | 1/2 |
|
|
|
|
|
|
|
| Dia. | ความยาว / ความยาวของสลักเกลียวที่มีประสิทธิภาพ | ใช้ |
|
t-bolt | 1/2 | 75-88 | สหราชอาณาจักรและเครือจักรภพแห่งชาติ |
| M14 | 75-87 | สหรัฐอเมริกาเยอรมนีและประเทศ Eurupean บางประเทศ | |
| M14 | 98-110 | สหรัฐอเมริกาเยอรมนีและประเทศ Eurupean บางประเทศ | |
|
สลักเกลียว | 1/2 | 67-86 | สหราชอาณาจักรและเครือจักรภพแห่งชาติ |
| M12 | 57-73 | สหราชอาณาจักรและเครือจักรภพแห่งชาติ | |
| M14 | 70-90 | สหรัฐอเมริกาเยอรมนีและประเทศ Eurupean บางประเทศ | |
| การแยกสายฟ้า | 1/2 | 45-82 | สำหรับ Putlog Coupler, BRC ฯลฯ |
|
สลักเกลียว |
1/2 | 116-125 |
สำหรับแคลมป์ภายนอกท่อแคลมป์สากล ฯลฯ |
| 85-92 | |||
| กลอนหกเหลี่ยม | M16 | 72-80 | สำหรับคานคานพินข้อต่อ DF |
| แบน t-bolt | 1/2 | 66-76 | สำหรับข้อต่อของอิตาลี |
|
| ความหนา | DIA ด้านใน / นอก |
|
เครื่องซักผ้า | 3.5 | 13-26 |
| 5 | 13-26 |
แข่งขันกันจริงๆ ! EK Scaffolding อยู่ใกล้ต้นกำเนิดของเหล็กและเรามีปริมาณการสั่งซื้อจำนวนมากดังนั้นเราจึงได้ราคาวัตถุดิบเหล็กที่ค่อนข้างถูกกว่า ค่าแรงต่ำและใกล้ท่าเรือน้ำเซี่ยงไฮ้ก็เป็นข้อดีของเราเช่นกัน และที่สำคัญที่สุด 'กำไรน้อยแต่หมุนเวียนมาก' คือหลักการดำเนินธุรกิจตลอดกาลของเราในการเป็นซัพพลายเออร์ข้อต่อนั่งร้านคุณภาพสูงของจีน
1.EK ปฏิบัติตามข้อกำหนดที่กำหนดโดยมาตรฐาน EN74/BS1139/EN1065/AS1576 อย่างเคร่งครัด
2.EK Scaffolding มีระบบการตรวจสอบคุณภาพทั้งชุดตั้งแต่ทางเข้าวัตถุดิบและการจัดส่งวัสดุสำเร็จรูป
ไม่มีปริมาณการสั่งซื้อขั้นต่ำ มีการผลิตหลายสายการผลิตเป็นระยะๆ และพร้อมให้บริการตลอดเวลา
ลิขสิทธิ์ © 2016 - 2026 บริษัท เอเค เมทัลเวิร์ค จำกัด. สงวนลิขสิทธิ์.
